Pagina 5 di 14
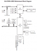
Schema e i vari integrati
Esaminando gli integrati sulla scheda vediamo quelli più importanti:
Realtek RTL8111E, controller IEEE 802.3 di rete da un Gigabit di velocità.
Realtek RTM880T, clock generator della scheda (PLL).
NEC/Renesas D720200AF1, controller USB 3.0 in grado di controllare 2 porte.
InterSil ISL6329, controller PWM di tipo dual plane. In grado di controllare fino a 6 fasi con Driver esterni o 2 fasi con i Driver interni.
Realtek ALC892, controller audio High Definition a 8 canali con supporto Dolby Home Theater.
ITE IT8720F, controller I/O dedicato al controllo di temperature, voltaggi, e ventole.
Di seguito, invece, è inserito lo schema logico della scheda.